Back to Home Page
Machine Construction Home Page
Back To Electronic Drive Home Page
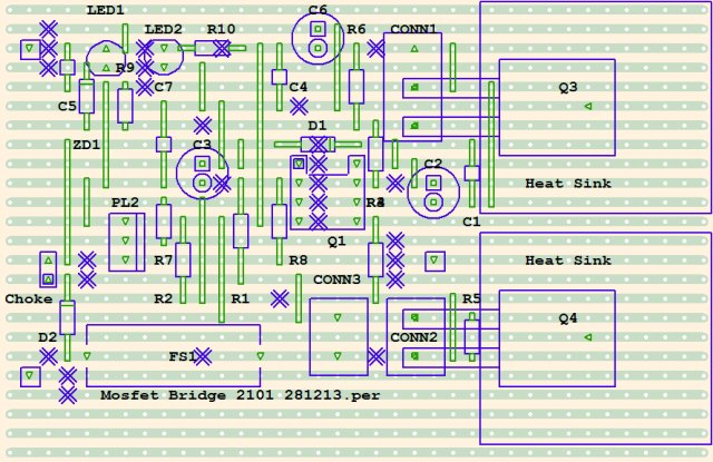
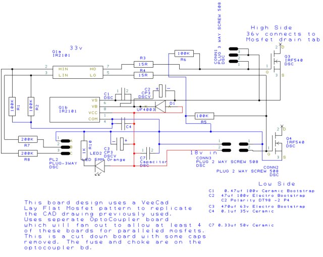
Link To Small File Mosfet Bridge.7z