Back to Home Page
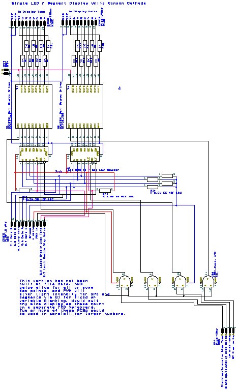
This drawing is a blown up circuit of the tacho I am using. It was built on veroboard and it works as intended.
Picaxe code for the tacho
Machine Construction Home Page
Back To Electronic Drive Home Page
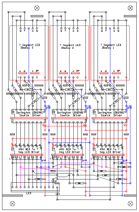
For my next tacho I have converted the circuit to DesignSpark, and used the output to make a VeeCad Veroboard PCB. This new board has the components for 2 digits, but is designed to string up to 3 boards together, for up to 5 digits with the program I am using.
Just leave out the components for the 6th digit. It has the digits mounted separately, and connected  by plugs and cables, for greater flexiblity and ease of construction. Each PCB includes a 4081 quad AND gate to allow the displays, including decimal points, to be dimmed via PWM.